Skip to main content
×

GE.com has been updated to serve our three go-forward companies.

Please visit these standalone sites for more information

GE Aerospace | GE Vernova | GE HealthCare 

header-image

Don’t Sweat It: High-Tech Fabric Takes Climbers to the Top of the World

July 12, 2013
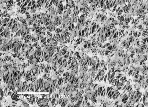
In the 1990s, engineers at BHA Group, an innovative maker of industrial air pollution filters, were experimenting with Teflon membranes for cement kilns and coal-fired boiler chimneys. They noticed that when they stretched the material in the lab into a thin film and applied a special coating, it became both waterproof and breathable. “The process created millions of microscopic pores too small for water droplets to get through, but large enough for vapor to escape,” says Daniel Burch from GE Power & Water, which acquired BHA in 2004.
GE now calls the material eVent fabrics. It has shielded climbers and athletes in the harshest conditions. In March 2012, a pair of Polish mountaineers wearing eVent climbing suits reached the top of Gasherbrum I, a lethal Himalayan peak more than 26,500 feet high. They were the first humans to scale the mountain in the winter, braving temperatures of minus 76 degrees Fahrenheit and winds topping 75 miles per hour. “It was the first time our down suits were dry during the whole climb,” said expedition leader Artur Hajzer. When climber Adam Bielecki melted snow in the death zone at Camp 3 and then spilled the cup by accident on his suit, “what normally would have been a catastrophe simply wasn’t problem at all,” Bielecki said.

Clothing manufacturers have been paying attention. GE just signed a deal to supply eVent fabrics to Dishang Group, China’s largest garment maker and exporter of clothing and textiles. Dishang will set up a special unit making eVent apparel. It will start production by the end of this year. Chad Kelly, GE’s global product manager for eVent fabrics, says that the arrangement will simplify and streamline product development and provide a channel for eVent fabrics to launch new designs more rapidly.

Other manufacturers use stretched Teflon, the proper name is expanded polytetrofluoroethylene (ePTFE), to make waterproof fabrics. They typically protect the ePTFE film from from oils, sweat, sunscreen and other sticky residue with a polyurethane coat and sandwich it between a tough outside waterproof layer and a soft inside lining. But the polyurethane layer effectively blocks the ePFTE pores and traps sweat inside the garment until body heat pushes it through.

Garments made from eVent fabrics, however, do not use this polyurethane shield. GE engineers developed a technology that covers the ePFTE membrane with a special proprietary coating that protects the layers and keeps the tiny pores open. “Because eVent doesn’t block those pores, sweat immediately escapes and you stay cooler and dryer,” GE’s Burch says. “We say that eVent let’s the sweat out. We call it the dry system.”

imageJanusz Gołąb on the mountain wearing a climbing suit protected by GE’s eVent fabrics imageeVent fabric does not need to get wet to let moisture out. GE calls it “a dry system.” imageeVent uses a proprietary technology that coats the ePTFE membrane but does not cover the pores.